首页 产品中心变频器 FE550系列 变频器

变频器

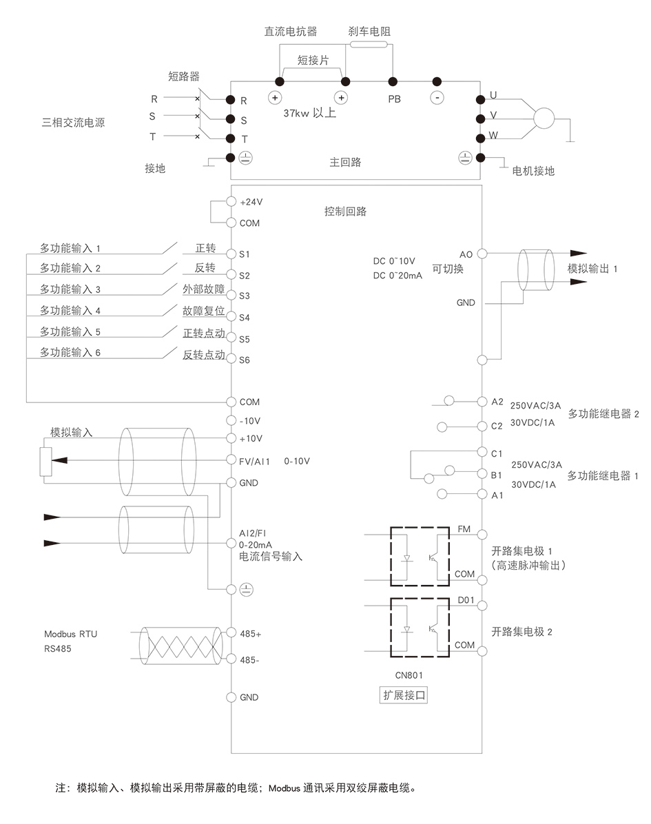
FE550系列

特点为优秀的低频转矩输出同时可以驱动永磁同步电机,多样化的参数调整及高速的动态响应,可以轻松满足对转矩及响应速度有较高要求的场合针对FE550的产品性能特性除通用机型外另衍生出下几种行业专用机型 FE550-LS拉丝专用 FE550-CG 3000HZ高频机 ,FE550-S 注塑机专用机型,FE550-CT 无感永磁同步电机专用机型。

1 / 1 Page Total 1Products First   <  1 >   End  
关闭
产品咨询
  • *姓名:
  • *公司:
  • *电邮地址:
  • *电话:
  • *内容: